| 产品系列 | AMB |
|---|---|
| 电源相数 | 三相 |
| 额定电流 | 30 |
| 额定电压 | 单相/三相AC440v |
| 供电电压 | 低压 |
| 控制方式 | V/F开环 |
| 滤波器 | 内置滤波器 |
| 应用范围 | 风机专用 |
| 营销方式 | 代理 |
| 适配电机功率 | 15kw |
| 输出电压调节方式 | PAM控制 |
| 外型 | 铁壳 |
| 品牌 | AMB/安邦信 |
| 型号 | AMB-FJ |
| 直流电源性质 | 电流型 |
安邦信风机、泵类专用变频器在风机泵上的应用
安邦信风机、泵类专用变频器在风机泵上的应用
引言:风机、泵**一种常见的负载类型,已经广泛应用于各个行业的各种场合。目前**提倡节能减排,风机、泵类负载是变频节能改造节电率**明显的类型。目前,在此类负载场合变频器已广泛应用。
右图为泵(风机)扬程流量特性曲线(H-Q)图。在阀门控制的方式下,当系统流量从Qmax减少到Q1时,必须相应地关小阀门。这时,阀门的阻力变大,流体的节流损失增加,流道的阻力线从A0到A。
泵(或风机)运行的工况点,从b点移到c点,扬程从H0上升到H2,而实际需要的工况点为d点。
根据泵(风机)的功率计算工式:

P=ρgQH/1000η 式中:
P—水泵使用工况轴功率(KW)
ρ—输出介质的密度(kg/m3)
Q—使用工况点的流量(m3/s)
g—动力加速度(m/s2)
η—使用工况点泵的效率。
可求出运行在c点和d点泵的轴功率分别为:
Pc=PgQ1H2/1000η; Pd=PgQ1H1/1000η;
两者之差为ΔP=Pc-Pd=PgQ(H2-H1)/1000η
上式说明,用阀门控制流量时,有ΔP的功率被损耗浪费掉了。而且,随着阀门不断关小,这个损耗还要增加。
用变频调速控制时,当流量从Qmax减少到Q,由于阀门的开度没有变化,管网的阻力曲线不变,泵的特性曲线随转速由n0变化到n1。泵(风机)运行的工况点,则从b点移到d点,扬程从H0下降到H1,而用转速控制时,根据流量Q,扬程H,功率P和转速N之间的关系:
Q1/Q2=n1/n2; H1/H2=(n1/n2)2; P1/P2=(n1/n2)3
可知:流量Q与转速N的一次方成正比;扬程H与与转速N成平方比;而功率P与转速N成立方比,若转速下降20%,则轴功率对应下降49%,由此可见,采用变频调速可以大幅降低电机的电耗,节省能源,降低企业成本。
以北方集中供热场合来说明风机泵上的变频器应用:
集中供热系统主要由锅炉制造热水热气,一次网通过热水循环将热水送到各个换热站二次网,二次网通过个换热站经循环泵送给各使用户,热水通过流经暖气片将热量散发到房间内的空气中,从而进行了热交换,经过了热交换的水又返回锅炉水箱中,从而达到了循环制热的目的。
如下图所示:

系统要求:
*有4台锅炉控制及循环、补水系统
*每台锅炉有鼓风、引风系统
*自动及部分单台控制
*能部分检修及部分不间断工作
*DCS控制系统
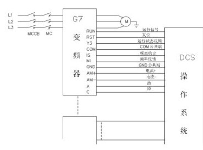
系统部分控制线路图如下:

鼓风机、引风机、循环泵等变频器均由DCS系统给出指令控制:
以引风机530KW变频器为例
RUN----COM 变频器启动/停止信号
RST-----COM 变频器故障复位
Y3-------COM 变频器运行状态反馈
IS--------GND 变频器频率信号给定 4---20mA
M1-------GND 输出频率反馈至DCS 4---20mA
AM+-----AM- 电流反馈至DCS 4---20mA
A---------C 故障报警
采用此类控制的供热系统:
1)节能效果明显
2)实现了软启动,电机启动电流大幅下降,避免了电机启动时对电网的冲击
3)设备运行平稳,消除了启动和停机时的水锤效应
4)实现了全自动控制,提高了电气自动化水平,运行安全可靠
节能分析:
以一台引风机53KW变频器节能分析,平时日供风量按80%Qn计算,空载损耗按0.1(Yo≈cosnt)
工频全速运转时:Pp=Pn-Pk=530KW-0.1*530KW=477KW
变频运行时:Pb=Pk+K3*Pn=53KW+0.83*530KW=324.36KW
节约功率:Pj=Pp-Pb=477KW-324.36KW=152.64KW
节电率为:Pj/Pp=(152.64KW/477KW)***=32%
欢迎登陆公司网站://www.zzjinghe.com
联系电话:13683809187
公司电话:0371-67617169

